采购批发各种规格轻触开关,母座,插座系列.请选择东莞市颖鑫电子科技有限公司.价格优惠.质量稳定

轻触开关规格和电路图-颖鑫电子厂家

  • 发布日期:2019-12-16 09:07:52
  • 点击数:

分享到:

轻触开关规格
轻触开关做为一种电子元器件,又叫微型按键开关,广泛应用在各种电子设备上面,轻触开关因为是由嵌件、基座、弹片、按钮、盖板组成其中防水类轻触开关在弹片上加一层聚酰亚胺薄膜组成,所以有接触电阻荷小、精确的操作力误差、规格多样化等方面的优势。下面讲解下,市面上常见的轻触开关具体有哪些规格。
第一种按尺寸分类的话:
(1)2*4
2mm*4mm轻触开关
2*4轻触开关电路图
2*4轻触开关电路图
(2)3*3
3mm*3mm轻触开关
3*3带点轻触开关电路图
3*3带点轻触开关电路图
(3)3*4
3mm*4mm轻触开关
3*4轻触开关电路图
3*4轻触开关电路图
(4)3*6
3mm*6mm轻触按键开关
3*6轻触开关电路图
3*6轻触开关电路图
(5)4*4
4mm*4mm薄膜轻触开关
4*4轻触开关尺寸电路图
4*4轻触开关尺寸电路图
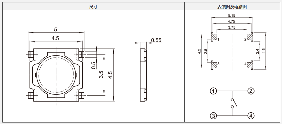
(6)4.5*4.5
4.5mm*4.5mm轻触按钮开关
4.5*4.5轻触开关电路图
4.5*4.5轻触开关电路图
(7)5.2*5.2
5mm*5mm锅仔片耐高温轻触开关
5.2*5.2锅仔片轻触开关电路图
5.2*5.2锅仔片轻触开关电路图
(8)6*6
6mm*6mm插脚按键轻触开关
6*6轻触开关电路图
6*6轻触开关电路图
(9)6.2*6.2
6.2mm*6.2mm轻触开关
6.2*6.2轻触开关电路图
6.2*6.2轻触开关电路图
(10)8*8
8mm*8mm硅胶轻触开关
8*8轻触开关电路图
8*8轻触开关电路图
(11)12*12
12mm*12mm轻触开关
12*12轻触开关电路图
12*12轻触开关电路图
第二种按功能类型分类:
(1)拨轮开关
mp3拨轮开关
拨轮轻触开关电路图
(2)带灯轻触开关
带灯轻触开关
带灯轻触开关电路图
(3)防水轻触开关
防水轻触开关
插脚防水轻触开关
(4)硅胶轻触开关
硅胶轻触开关
硅胶轻触开关
(5)五向轻触开关
五向轻触开关
五向轻触开关电路图
以上就是市面上常用的轻触开关规格分类。如果您没有找到您需要的分类,可以咨询在线客服。

颖鑫官方微信

电       话:0769-33373777  
传       真:0769-83632283    联 系  人:陈心龙(业务经理)
手       机:13827297626       QQ/微信:435281082   
邮       箱:yingxindg@126.com
地       址:东莞市樟木头镇圩镇荔苑路7号泰安城3栋810室
东莞市颖鑫电子科技有限公司 版权所有 2011-2026粤ICP备17085769号

颖鑫电子专业生产:防水轻触开关,带灯轻触开关,硅胶按键开关,耐高温贴片轻触开关,带支架轻触开关,母座,USB连接器